Ang mga bushings ng dingding ay nagsisilbing kritikal na mga sangkap na de-koryenteng, pinadali ang mga koneksyon sa pagitan ng mga high-boltahe na mga cable at kagamitan tulad ng mga transformer at circuit breaker. Ang istraktura sa pangkalahatan ay binubuo ng isang panloob na silindro, panlabas na silindro, insulating manggas, singsing ng suporta, at suporta sa bucket. Kasama sa mga pangunahing bentahe ang higit na lakas, mataas na pagtutol sa pagkasira, proteksyon laban sa polusyon sa polusyon, at mahusay na paglaban sa kaagnasan.

AngTG3-12-110 × 180 12KV Epoxy resin sa pamamagitan ng bushing wallay isang mataas na pagganap na sangkap na de-koryenteng idinisenyo upang matiyak ang ligtas at insulated conductor na daanan saKatamtaman at Mataas na boltahe na mga sistema ng switchgear. NitoEpoxy Resin ConstructionNagbibigay ng higit na mahusay na lakas ng dielectric, katatagan ng thermal, at tibay ng mekanikal.
Sakop ng komprehensibong gabay na itoPang -araw -araw na pagpapanatili, sertipikasyon ng produkto, mga highlight ng produkto, at pag -aayos, Pagbibigay ng mga inhinyero, technician, at mga propesyonal sa pagkuha ng detalyadong mga pananaw. Ang nilalaman ay na -optimize para saGoogle SEOat pinasadya para saPang -industriya na website at mga platform ng B2B.
Ang TG3-12-110 × 180 Wall bushing ay inhinyero para samaaasahan at ligtas na mga de -koryenteng operasyon:
Na -rate na boltahe:12kv para sa medium boltahe switchgear.
Materyal:Mataas na lakas ng epoxy resin para sa pagkakabukod.
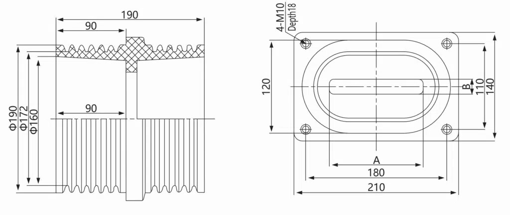
Mga Dimensyon:110 × 180 mm para sa standard na pag-install sa pamamagitan ng pader.
Kasalukuyang kapasidad:Sinusuportahan ang mga nominal na alon ng daluyan ng boltahe.
Lakas ng mekanikal:Lumalaban sa panginginig ng boses, epekto, at pagbabagu -bago ng thermal.
Pagsunod:Naaayon sa IEC 62271, IEEE, at ROHS pamantayan.
| Tampok | Pagtukoy | Makikinabang |
|---|---|---|
| Na -rate na boltahe | 12kv | Katugma sa mga medium boltahe switchgear system |
| Materyal | Epoxy resin | Mataas na dielectric na lakas at tibay |
| Sukat | 110 × 180 mm | Pamantayan sa pamamagitan ng pag-install ng pader |
| Kasalukuyang kapasidad | Nominal na kasalukuyang pagpapatakbo | Maaasahang pagganap ng elektrikal |
| Antas ng pagkakabukod | 42/75 kv | Ligtas at epektibong pagkakabukod |
| Lakas ng mekanikal | Sumunod ang IEC 62271 | Lumalaban sa panginginig ng boses at epekto |
| Temperatura ng pagpapatakbo | -40 ° C hanggang +120 ° C. | Angkop para sa malupit na mga kapaligiran |
| Uri ng pag -mount | Sa pamamagitan ng pader | Madaling pagsasama sa mga switchgear panel |
| Timbang | 6.5 kg | Magaan at madaling hawakan |
| Pagsunod sa Kapaligiran | Rohs | Eco-friendly at sustainable |
Ang TG3-12-110 × 180 bushing ay nag-aalok ng maraming mga pakinabang na ginagawang perpekto para saMga aplikasyon sa pang -industriya, komersyal, at utility:
Superior na pagkakabukod:Tinitiyak ng high-lakas na epoxy resin ang mahusay na dielectric na pagganap.
Compact Design:Na -optimize na 110 × 180 mm na mga sukat para sa mahusay na pag -install ng dingding.
Mekanikal na tibay:Lumalaban sa thermal stress, panginginig ng boses, at mekanikal na epekto.
Katatagan ng thermal:Ang mabisang pag -iwas sa init sa ilalim ng patuloy na operasyon.
Kadalian ng pagpapanatili:Pinasimple na mga pamamaraan sa paglilinis at inspeksyon.
Friendly sa kapaligiran:ROHS-sertipikadong epoxy resin at mga recyclable na sangkap.
Maraming nalalaman application:Angkop para sa switchgear, substation, at mga sistema ng pamamahagi ng high-boltahe.
Ang TG3-12-110 × 180 bushing ay ginawa bilang pagsunod saMga Pamantayang Pang -elektrikal sa Pandaigdig:
IEC 62271-1 & 62271-200:Katamtaman at mataas na pamantayan ng switch ng boltahe para sa Ligtas na operasyon.
IEEE Standard 386:Tinitiyak ang wastong pagkakabukod at pagiging maaasahan ng mekanikal.
Pagsunod sa ROHS:Libre mula sa mga mapanganib na sangkap, tinitiyak ang kaligtasan sa kapaligiran.
ISO 9001 Kalidad na Sertipikasyon:Ginagarantiyahan ang pare -pareho ang kalidad ng pagmamanupaktura.
| Sertipikasyon | Layunin | Makikinabang |
|---|---|---|
| IEC 62271 | Kaligtasan ng Katamtaman at Mataas na Boltahe | Tinitiyak ang maaasahang pagkakabukod ng elektrikal |
| IEEE 386 | Mataas na pagganap ng sangkap ng boltahe | Standardized na pagsubok para sa pagkakabukod at tibay |
| Rohs | Pagsunod sa Kapaligiran | Ligtas para magamit at mai -recyclable |
| ISO 9001 | Kalidad ng pagmamanupaktura | Mataas na kalidad na kontrol ng produksyon at pagkakapare-pareho |
Ang wastong pagpapanatili ay nagpapalawak ngbuhay ng pagpapatakbong bushing at tinitiyakLigtas na pagganap.
Suriin para saMga bitak, pagkawalan ng kulay, o pinsala sa ibabaw.
Suriin ang pag -mount ng mga bolts at koneksyon para sa pagkalayo.
I -verify ang walang mga dayuhang bagay o labi sa paligid ng bushing.
Gumamit ng amalambot na brush o naka -compress na hanginupang alisin ang alikabok.
Iwasan ang tubig, solvent, o nakasasakit na mga materyales sa paglilinis.
Magsagawa ng paglilinisna may power offUpang matiyak ang kaligtasan.
GumanapPagsubok sa paglaban sa pagkakabukodSa isang megohmmeter.
Subaybayan para sapagtaas ng temperaturasa ilalim ng normal na operasyon.
Pakingganhindi pangkaraniwang mga ingaynagpapahiwatig ng mga isyu sa mekanikal o elektrikal.
| Gawain sa pagpapanatili | Kadalasan | Mga Tala |
|---|---|---|
| Visual inspeksyon | Buwanang | Tiktik ang mga bitak o pagkawalan ng kulay |
| Terminal na tseke ng metalikang kuwintas | Quarterly | Tiyakin ang wastong mga koneksyon sa kuryente |
| Pagsubok sa paglaban sa pagkakabukod | Semi-taun-taon | Patunayan ang integridad ng dielectric |
| Thermal Monitoring | Taun -taon | Kumpirmahin ang pagtaas ng temperatura sa loob ng mga limitasyon |
| Buong inspeksyon ng system | Taun -taon | Komprehensibong tseke para sa pagganap ng elektrikal at mekanikal |
Tinitiyak ng pagsubok sa pagganappangmatagalang pagiging maaasahanSa ilalim ng mga kondisyon ng pagpapatakbo:
| Uri ng Pagsubok | Paraan | Pamantayan sa pagtanggap |
|---|---|---|
| Dielectric test | Ac weattand | 42/75 kV, walang pagkasira |
| Bahagyang paglabas | Pagsukat sa ilalim ng rate ng boltahe | ≤5 pc |
| Thermal test | Patuloy na kasalukuyang operasyon | Temperatura ≤120 ° C. |
| Mekanikal na pagkabigla | IEC Vibration Simulation | Walang mga bitak o pagpapapangit |
| Ang short-circuit ay nakatiis | Pansamantalang simulation ng kasalanan | 20 KA para sa 1s |
| Pagtitipon ng terminal | Pagsukat ng metalikang kuwintas | 120–150 N · m |
| Paglaban sa pagkakabukod | Megohmmeter | ≥100 MΩ |
| Stress sa kapaligiran | Kahalumigmigan at mga siklo ng temperatura | Walang pagtagas o bitak |
| Pagkawala ng enerhiya | Pagsukat sa ilalim ng pag -load | ≤0.5% |
| Buhay ng pagpapatakbo | Pinabilis na pagtanda | ≥20 taon |
| Problema | Posibleng dahilan | Solusyon |
|---|---|---|
| Sobrang init | Labis na kasalukuyang o hindi magandang bentilasyon | Bawasan ang pag -load, pagbutihin ang daloy ng hangin |
| Bahagyang paglabas | Kontaminasyon o nasira na pagkakabukod | Malinis na ibabaw, palitan ang bushing kung kinakailangan |
| Sparking | Maluwag na koneksyon sa terminal | Masikip ang mga terminal at suriin ang mga contact |
| Pinsala sa makina | Epekto sa pag -install | Palitan ang nasirang bushing |
| Kaagnasan | Kahalumigmigan ingress | Mag -apply ng mga proteksiyon na coatings, mapanatili ang tuyong kapaligiran |
| Ingay | Maluwag na koneksyon o panginginig ng boses | Secure na mga terminal, suriin ang pag -mount |
Mga tip para sa pagpigil sa pagpigil:
Pag -uugaliRegular na visual inspeksyonat mga pagsubok sa pagkakabukod.
Panatilihin ang lugar ng pag -installwalang alikabok at tuyo.
MatiyakAng pag -load ng system ay hindi lalampas sa nominal na kasalukuyang rating.

Tinitiyak ng wastong pag -installpinakamabuting kalagayan at kaligtasan:
Suriin ang bushing para sapisikal na pinsala.
Kumpirma ang switchgear system ayDe-energized.
Magtipon ng kinakailanganMga tool at PPE: Insulated guwantes, metalikang kuwintas, distornilyador, goggles.
Posisyon:I -align ang bushing sa pagbubukas ng dingding.
Pag -mount:Secure na may mga bolts ayon sa mga pagtutukoy ng tagagawa.
Koneksyon:Ikabit ang mga conductor na may inirekumendang metalikang kuwintas.
Pagsubok sa pagkakabukod:Patunayan ang dielectric na pagganap bago mag -energize.
Energisasyon ng System:Subaybayan ang temperatura, ingay, at panginginig ng boses sa panahon ng paunang operasyon.
Iwasan ang labis na pag -aalsa ng mga bolts upang maiwasan ang pagkasira ng epoxy.
Panatilihinsapat na bentilasyonpara sa dissipation ng init.
Tiyakin ang pagsunod sa nominal na pag -load upang maiwasan ang sobrang pag -init.
Ginamit sa mga panel ng switchgear upang matiyak ang insulated at maaasahang pamamahagi ng kuryente.
Pinapayagan ang mga conductor na may mataas na boltahe na ligtas na dumaan sa mga dingding habang pinapanatili ang integridad ng pagkakabukod.
Inilapat sa Wind at Solar Farms para sa Medium Voltage Interconnections.
Sinusuportahan ang ligtas na pamamahagi ng elektrikal sa malakihang mga komersyal at data center na kapaligiran.
Mga pasilidad sa pang -industriya:Nabanggitminimal na downtimeat matatag na operasyon sa ilalim ng patuloy na pag -load.
Mga Kumpanya ng Utility:I -highlightMataas na lakas ng mekanikalat maaasahang pagkakabukod.
Mga nababago na proyekto ng enerhiya:Bigyang -diinCompact na disenyo, thermal stability, at mahabang buhay ng serbisyo.
Halimbawang patotoo:
"Ang TG3-12-110 × 180 Epoxy Resin Wall Bushing ay napatunayan na maaasahan para sa aming daluyan na pag-install ng boltahe. Ang pagkakabukod at mekanikal na tibay ay matiyak na ligtas na operasyon sa lahat ng mga kondisyon."- Senior Electrical Engineer, Utility Provider
Ang TG3-12-110 × 180 bushing ay nakakatugonMga Pamantayang Pangkalahatang Pangkapaligiran:
Sertipikado ang ROHS:Libre mula sa mga mapanganib na sangkap.
Sustainable Materials:Mataas na kalidad ng epoxy resin.
Mababang paglabas:Proseso ng Paggawa sa Kapaligiran sa Kapaligiran.
Mga Recyclable Components:Dinisenyo para sa pag-recycle ng end-of-life.
AngTG3-12-110 × 180 12KV Epoxy resin sa pamamagitan ng bushing wallay aMatibay, maaasahan, at sumusunod sa kapaligiranSolusyon para sa medium at high-boltahe na switchgear system. Sa wastong pag -install, pagpapanatili ng nakagawiang, at pagsunod sa mga pamantayang teknikal, tinitiyak nito:
Ligtas at mahusay na daanan ng conductor
Mataas na pagganap ng dielectric
Mekanikal at thermal pagiging maaasahan
Pagsunod sa mga pamantayan sa kaligtasan sa internasyonal at kapaligiran
Pangmatagalang katatagan ng pagpapatakbo
Mainam para saPang -industriya, utility, nababago na enerhiya, at mga komersyal na aplikasyon, naghahatid ang bushing na itokaligtasan, kahusayan, at pagpapanatilisa mga sistemang de-koryenteng may mataas na boltahe.
Phone: +8613736779975
E-mail: sales@vcbbreaker.com
Address: 66 Punan Road, Yueqing Economic Development Zone, Zhejiang, China
Copyright © 2025 Yangmei Electric Group Lahat ng mga karapatan ay nakalaan
Gumagamit ang website na ito ng cookies upang matiyak na makukuha mo ang pinakamahusay na karanasan sa aming website.