
AngCH1A-40.5-A-B 40.5KV High Voltage Contact Box Industrial Epoxy Resinay isang lubos na maaasahang sangkap na pagkakabukod ng de -koryenteng malawak na inilalapat saKatamtaman at Mataas na boltahe na mga sistema ng switchgear. Ginawa gamitAdvanced na Epoxy Resin Molding Technology, nagbibigay itoNatitirang Dielectric Lakas, Mekanikal na Tibay, at Paglaban sa Stress sa Kapaligiran, ginagawang perpekto para saPamamahagi ng Pang -industriya, Substation, at Proteksyon ng Kagamitan sa Kagamitan.
Nag -aalok ang gabay na ito akomprehensibong pangkalahatang -ideyang produkto, sumasaklaw sa mga teknikal na pagtutukoy, mga kondisyon ng pag -install, mga siklo ng pagpapanatili, mga plano sa pagpapanatili ng pag -upgrade, at mga pagsusuri sa tunay na customer. Ito ay na -optimize para sa mga propesyonal na naghahanappangmatagalang pagiging maaasahan, kaligtasan, at pagganapsa kanilang mga de -koryenteng sistema.
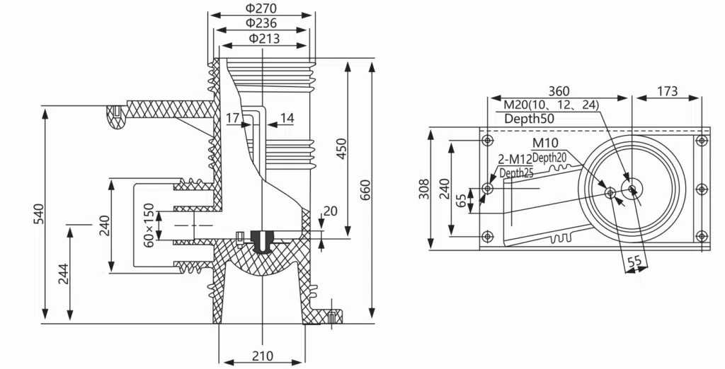
Na -rate na boltahe: 40.5kv
Insulating material: Pang -industriya na Epoxy Resin
Mataas na pagganap ng dielectric: Tinitiyak ang maaasahang pagkakabukod sa ilalim ng mataas na boltahe na naglo -load.
Paglaban sa arko: Angkop para sa mga application na high-boltahe switchgear.
Mekanikal na katatagan: Nakatiis ng thermal at mechanical stress.
Mahabang buhay ng serbisyo: Dinisenyo para sa matatag na pagganap sa hinihingi na mga pang -industriya na kapaligiran.
Paglaban sa Kapaligiran: Lumalaban sa kahalumigmigan, alikabok, at pagbabagu -bago ng temperatura.
| Parameter | Halaga |
|---|---|
| Modelo | CH1A-40.5-A-B |
| Na -rate na boltahe | 40.5 kv |
| Na -rate na kasalukuyang | Hanggang sa 1250 a |
| Kadalasan | 50/60 Hz |
| Materyal | Epoxy Resin (Industrial Grade) |
| Antas ng pagkakabukod | ≥ 95 kV (dalas ng kuryente na may withstand) |
| Bahagyang paglabas | ≤ 10 PC sa ilalim ng mga na -rate na kondisyon |
| Application | Mataas na boltahe switchgear, substations |
| Buhay ng Serbisyo | 20+ taon (sa ilalim ng karaniwang mga kondisyon) |
| Operating environment | Panloob/panlabas, -25 ° C ~ +45 ° C. |
Ang CH1A-40.5-A-B contact box ay malawak na inilalapat sa:
Katamtaman at High-Voltage Switchgear Systems
Power Substations at Distribution Networks
Mga sistemang kontrol sa kuryente
Mga Renewable Energy Power Generation Facility
Malakas na Proteksyon ng Elektronikong Industriya
NitoNapakahusay na pagkakabukod ng epoxy resinTinitiyak na ligtas itong nagpapatakbo kahit sa ilalimMataas na stress at mahabang duty cycle.
Upang matiyakPinakamataas na pagiging maximum at buhay ng serbisyo, Ang mga sumusunod na kondisyon ay dapat matugunan sa panahon ng pag -install:
Ambient temperatura: -25 ° C hanggang +45 ° C.
Altitude: ≤ 1000m (para sa mas mataas na mga taas, kumunsulta sa mga pagsasaayos ng teknikal)
Relatibong kahalumigmigan: ≤ 90% (hindi condensing)
Panloob o panlabas na pag -install na may proteksyon mula sa direktang pagkakalantad ng UV
Ang wastong earthing ay sapilitan.
I -install lamang sa loob ng mga system na na -rate para sa40.5 kv.
PanatilihinMinimum na distansya ng clearancesa pagitan ng mga live na bahagi at lupa.
Tiyakin ang pagiging tugma sa umiiral na switchgear busbar at mga terminal.
Mount sa aWalang vibration, matatag na pundasyon.
Iwasan ang pakikipag -ugnay sa mga kinakailangang gas o alikabok.
Tiyakin ang sapat na bentilasyon upang mabawasan ang thermal stress.
Ang mga regular na inspeksyon at pagpapanatili ay mahalaga para sapangmatagalang pagiging maaasahan. Ang talahanayan sa ibaba ay nagbabalangkas aStandard maintenance cycle:
| Agwat ng inspeksyon | Mga gawain sa pagpapanatili |
|---|---|
| Buwanang | Visual inspeksyon para sa mga bitak, akumulasyon ng alikabok, o kontaminasyon sa ibabaw |
| Tuwing 6 na buwan | Malinis na ibabaw na may tuyong tela, suriin ang mahigpit na metalikang kuwintas ng mga koneksyon |
| Taun -taon | Pagsukat ng paglaban sa pagkakabukod, thermal imaging para sa mga hot spot |
| Tuwing 3-5 taon | Comprehensive Inspection: Epoxy Resin Condition, Electrical Testing, Kapalit Kung Kinakailangan |
Tip:Laging magsagawa ng pagpapanatili sa ilalim ng mga de-energized na kondisyon kasunod ng wastongMga pamamaraan ng kaligtasan ng lockout/tagout.
Upang ma -maximize ang pagganap, anakaplanong diskarte sa pag -upgrade at pagpapanatiliinirerekomenda:
Preventive Maintenance Program
Mag -iskedyul ng taunang pagkakabukod at pagsubok ng dielectric.
Panatilihin ang mga log ng pagpapanatili para sa pagtatasa ng takbo.
Pag -upgrade ng sangkap
Mag -upgrade ng mga materyales sa sealing para sa pinahusay na paglaban sa kapaligiran.
Palitan ng mas mataas na thermal tolerance epoxy resin kung nagpapatakbo sa mga rehiyon na may mataas na init.
Pagsasama ng digital na pagsubaybay
Ipatupad ang pagsubaybay na batay sa IoT para sa temperatura ng real-time at kasalukuyang pagsubaybay.
Ang mga alerto ay maaaring mabawasan ang downtime at maiwasan ang hindi inaasahang mga pagkabigo.
Extension ng siklo ng buhay
Matapos ang 15-20 taon, magplano para saaktibong kapalitng mga kahon ng contact na may mataas na boltahe.
Magsagawa ng mga pagsusuri sa engineering para sa pagiging tugma sa bagong henerasyon switchgear.

"Ang CH1A-40.5-A-B 40.5KV Epoxy Resin contact box ay napatunayan na lubos na maaasahan sa aming pag-upgrade ng substation. Ang kalidad ng pagkakabukod nito ay katangi-tangi, at pagkatapos ng dalawang taon ng operasyon, ang pagganap ay nananatiling matatag nang walang anumang pagkasira."
"Ini-install namin ang mga kahon ng contact ng CH1A-40.5-A-B sa aming mga high-boltahe na switchgear system. Ang pag-install ay prangka, at ang kalidad ng dagta ay nagsisiguro ng kaligtasan sa mga kahalumigmigan na kapaligiran. Sobrang nasiyahan sa tibay."
"Sa aming pasilidad ng solar power, ang CH1A-40.5-A-B ay gumaganap nang maayos sa ilalim ng matinding pagbabagu-bago ng temperatura. Mababang mga kinakailangan sa pagpapanatili at malakas na pagkakabukod ay ginagawang perpekto para sa pangmatagalang mga nababagong sistema ng enerhiya."
Mataas na lakas ng dielectric: Pinoprotektahan laban sa pagkasira ng boltahe.
Paglaban ng kahalumigmigan: Pinipigilan ang mga de -koryenteng pagtagas sa mga kahalumigmigan na kondisyon.
Lakas ng mekanikal: Nakatiis ng mekanikal na stress at presyon.
Katatagan ng thermal: Nagpapanatili ng pagkakabukod sa mataas na temperatura ng operating.
Long Lifespan: Ang pang -industriya na epoxy resin ay nagbibigay ng 20+ taon ng serbisyo.
| Tampok | Epoxy Resin Makipag-ugnay sa Kahon (CH1A-40.5-A-B) | Tradisyonal na ceramic/baso |
|---|---|---|
| Lakas ng pagkakabukod | Napakataas | Katamtaman |
| Paglaban ng kahalumigmigan | Mahusay | Mahirap hanggang katamtaman |
| Mekanikal na tibay | Mataas | Malutong sa ilalim ng stress |
| Buhay ng Serbisyo | 20+ taon | 10-15 taon |
| Mga kinakailangan sa pagpapanatili | Mababa | Mas mataas |
Q1: Ano ang buhay ng serbisyo ng kahon ng contact ng CH1A-40.5-A-B?
A: Sa tamang pag -install at pagpapanatili, maaari itong tumagal ng higit sa 20 taon.
Q2: Maaari bang magamit ang kahon ng contact na ito sa mga panlabas na substation?
A: Oo, kung protektado ito laban sa direktang sikat ng araw at matinding pagkakalantad sa kapaligiran.
Q3: Anong pagpapanatili ang kinakailangan nito?
A: Pangunahing paglilinis, inspeksyon, at pana -panahong pagsubok sa paglaban sa pagkakabukod.
Q4: Tugma ba ito sa lahat ng 40.5kv switchgear system?
A: Ito ay dinisenyo para sa karamihan ng mga karaniwang switchgear, ngunit palaging kumpirmahin ang mga sukat at pagtutukoy sa iyong tagapagtustos.
Q5: Maaari bang lumala ang epoxy resin sa paglipas ng panahon?
A: Ang pang-industriya na grade epoxy resin ay lubos na matatag, ngunit inirerekomenda ang mga regular na tseke upang makita ang mga maagang palatandaan ng pagtanda.
AngCH1A-40.5-A-B 40.5KV High Voltage Contact Box Industrial Epoxy Resinkumakatawan aKritikal na solusyon para sa mga modernong sistema ng kuryente. NitoMalakas na pagkakabukod, mababang mga pangangailangan sa pagpapanatili, at mahabang buhay ng serbisyoGawin itong lubos na angkop para samga utility ng kuryente, pagpapalit, nababago na mga proyekto ng enerhiya, at pang -industriya na mga sistemang elektrikal.
Sa pamamagitan ng pagsunodWastong mga kondisyon ng pag -install, mga cycle ng pagpapanatili ng nakagawiang, at mga plano sa pag -upgrade, masisiguro ng mga industriyapangmatagalang pagiging maaasahan at kaligtasan sa pagpapatakbo. Nai -back sa pamamagitan ng positibong feedback ng customer sa buong mundo, ang kahon ng contact ng epoxy resin na ito ay patuloy na isangpinagkakatiwalaang pagpipilian sa mga application na may mataas na boltahe.
Phone: +8613736779975
E-mail: sales@vcbbreaker.com
Address: 66 Punan Road, Yueqing Economic Development Zone, Zhejiang, China
Copyright © 2025 Yangmei Electric Group Lahat ng mga karapatan ay nakalaan
Gumagamit ang website na ito ng cookies upang matiyak na makukuha mo ang pinakamahusay na karanasan sa aming website.